| 接口 | RS485 |
| 電源電壓 | 10 ~ 30 VDC |
| 功耗 | < 50mA(24Vdc)空載 |
| 技術 | 磁性 |
| 單圈分辨率 | 14位 |
| 碼製 | 十六進製 |
| 外殼防護等級 (軸) | IP65 |
| 外殼防護等級 (外殼) | IP67 |
| 工作溫度 | -25 °C ~ +85 °C |
| 相對濕度 | 90%, 無凝結狀態 |
| 外殼材料 | 鋁 |
| 法蘭材料 | 鋁 |
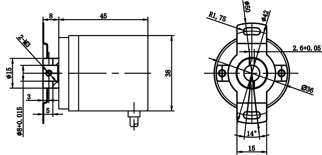
| 法蘭形式 | 夾緊法蘭, ø 38 mm |
| 軸的類型 | 半空心軸, 深度 = 8 mm |
| 軸的直徑 | ø 08 mm |
| 軸的材料 | 不鏽鋼 (304) |
| 軸負載 | 軸向 ≤ 40 N , 徑向 ≤ 80 N |
| 機械速度 | ≤ 2000 1/min |
| 耐衝擊性 | ≤ 100 g (EN 60068-2-27),6ms |
| 耐振動性 | ≤ 20 g (10 Hz – 2000 Hz, EN 60068-2-6) |
| 重量 | 350g |
| 連接方向 | 徑向 |
| 接口 | 屏蔽電纜 1m |
